Рубликатор

 



























Все о псориазе



Леонид Верин

Низкопотребляющие микроконтроллеры Texas Instruments семейства MSP430

Микроконтроллеры MSP430 производства компании Texas Instruments были разработаны специально для энергосберегающих технологий. Все серии этих микроконтроллеров могут работать в пяти различных режимах потребления при напряжении питания от 2,2 до 5,5 В, с минимальным током потребления 0,1 мкА (режим наименьшего потребления) и 400 мкА в активном режиме. Такие показатели позволяют продлить время работы автономного устройства на базе MSP430 до 10 лет без замены литиевой батареи. Время перехода в активное состояние тоже рекордное по сравнению с микроконтроллерами других производителей — 6 мкс. Вместе с тем, MSP430 имеют 16-битовый центральный RISC-процессор, способный выполнять одну инструкцию за 250 нс и достигающий производительности свыше 660 MIPS/Watt. Узел внутреннего умножения частоты позволяет ограничиться использованием одного 32-килогерцового внешнего кварцевого резонатора. Микроконтроллеры MSP430 обладают памятью ОЗУ от 128 байт до 1 Кбайта, ПЗУ от 2 до 32 Кбайт. Есть версии с однократно либо многократно программируемым ПЗУ емкостью до 32 Кбайт и с FLASH-памятью объемом до 4 Кбайт.

Общими для всех серий MSP430 являются 15/16-битовый сторожевой таймер, модуль перезапуска по «провалам питания», цифровые порты ввода/вывода, возможность программирования/отладки по протоколу JTAG, а также индустриальный диапазон исполнения (от -40 °C до +85 °С).

Модуль таймера А (Timer_A) включает в себя 16-битовый счетчик/таймер и пять регистров захвата/сравнения, каждый из которых может быть установлен как в режим слежения, так и в режим сравнения. Режим слежения обычно используется для определения внешних или внутренних событий по положительному, отрицательному или любой комбинации сигналов и может быть остановлен программно. Режим сравнения в большинстве случаев применяется для генерации временных интервалов для программы или внешнего оборудования, а также для генерации выходных ШИМ-сигналов, модулированных по длительности импульсов, в таких приложениях, как цифро-аналоговое преобразование или управление двигателем.

В серии микроконтроллеров MSP430x31x появился модуль драйвера ЖКИ, позволяющий программно коммутировать соответствующие сегменты индикатора, при этом неиспользуемые линии драйвера могут служить дополнительными выходными портами. Два 8-битовых основных таймера используются для генерации частоты ЖКИ и поддержки часов реального времени. Модуль порт/таймер может применяться как 16-битовый таймер общего назначения либо для организации измерительного канала с датчиков резистивного типа. 8-битовый таймер/счетчик обеспечивает последовательные протоколы обмена (UART или I2C) цифровых портов ввода/вывода.
Архитектура серии микроконтроллеров MSP430x32x дополнена новым внутренним модулем — 6-канальным АЦП с разрядностью 12 + 2 бита (14 бит в одном из 4 поддиапазонов измерений) и временем преобразования — 96 циклов.

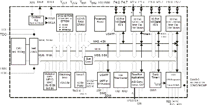
Серия MSP430x33x имеет новую конфигурацию модулей (рис. 1.) В ней отсутствует 6-канальный АЦП. Интегрированный аппаратный умножитель (H/W Multiplier) выполняет операции умножения 16х16, 16х8, 8х16 и 8х8 бит с учетом знака или без него, а также беззнаковую аккумуляцию. После загрузки обоих операндов в умножитель результат становится доступен в соответствующем регистре, при этом не требуются дополнительные циклы для выполнения операции умножения. Таким образом, уже следующая инструкция может использовать результат умножения.

Архитектура MSP430x33x

Рис. 1. Архитектура MSP430x33x

Новый интерфейсный модуль (USART) обеспечивает поддержку последовательных асинхронного и синхронного протоколов обмена— стандартный асинхронный (UART) до 115,2 кбод и последовательный периферийный интерфейс (SPI). Один бит регистра управления определяет режим обмена, причем он может переключаться в любое состояние в зависимости от конкретного приложения. В отличие от предыдущих серий микроконтроллеров MSP430x33x, количество цифровых портов ввода/вывода (I/O Ports) увеличено до 40.

В начале этого года компания Texas Instruments начала производство новой серии микроконтроллеров MSP430F11xx с FLASH-памятью. Модули FLASH-памяти в этой серии имеют рекордные показатели по потреблению (примерно в пять раз меньшие, чем у подобных FLASH-микроконтроллеров других производителей). При напряжении питания 2,2 В они потребляют в активном режиме 250 мкА на 1 МГц, в режиме ожидания — лишь 0,8 мкА, что близко к показателям по потреблению микроконтроллеров MSP430 масочной (ROM) и однократно программируемой (OTP) версий. Модули памяти организованы следующим образом: 128 или 256 байт — ОЗУ, 1 кбайт — ПЗУ, 128 либо 256 байт — так называемая информационная FLASH-память и 1 либо 4 Кбайт — основная FLASH-память. В ПЗУ предусматривается программный загрузчик (bootstrap loader), позволяющий получать и передавать данные от периферийных регистров или памяти через порт P1.1 (BSLTX), а также читать данные с порта P2.2 (BSLRX) и записывать их во FLASH-память. Функции доступа к памяти MSP430F11xx через загрузчик защищены кодом, 256 бит которого размещаются по адресу 0FFE0h — 0FFFFh. Программный загрузчик обеспечивает UART-протокол с фиксированной скоростью обмена 9600 бод. FLASH-память состоит из двух либо восьми 512-байтовых сегментов основной памяти и одного либо двух 128-байтовых сегментов информационной памяти. Сегменты FLASH- памяти могут стираться как по отдельности, так и группами. 14 цифровых портов ввода/вывода (I/O Ports) могут использоваться как для формирования выходных управляющих сигналов, так и для аналого-цифрового преобразования входных сигналов. Модуль таймера А (Timer_A) содержит помимо 16-битового счетчика/таймера 3 регистра слежения/сравнения. Микроконтроллеры серии MSP430F110 обладают меньшими объемами памяти, а серии MSP430F1121 помимо большего объема памяти имеют дополнительный модуль аналогового компаратора.

Благодаря высокой степени интеграции применение микроконтроллеров семейства MSP430 не требует большого количества дополнительных внешних элементов и упрощает разработку измерительных устройств (электросчетчиков, газовых и тепловых счетчиков, дозиметров и т. п.). На рис. 2 приведена схема счетчика расхода воды на основе MSP430. В качестве дополнительных элементов могут потребоваться кварцевый резонатор на частоту 32 кГц, внешняя память EEPROM, ЖКИ, интерфейсные микросхемы протокола METER-BUS (TSS721) или радиочастотного канала.

Счетчик расхода воды на базе MSP430

Рис. 2. Счетчик расхода воды на базе MSP430

Возможности обмена микроконтроллеров семейства MSP430 с внешним миром существенно расширились с появлением нового радиочастотного трансивера производства Texas Instruments — TRF6900. Новый RF-модуль ориентирован на применение именно с микроконтроллерами MSP430 и работает в диапазоне частот 850–950 МГц. Он допускает гибкое программирование, поддерживает несколько режимов функционирования и способен передавать данные со скоростью до 200 кбит в секунду. Этот чип обладает низким потреблением при напряжении питания от 2,2 до 3,6 В и возможностью избирательно отключать некоторые функциональные блоки с целью экономии потребляемой энергии. При этом время перехода в активный режим — порядка сотни микросекунд. Примененная в TRF6900 новая разработка Texas Instruments — цифровой синтезатор (Direct Digital Synthesizer — DDS) обеспечила возможность обмена данными одного трансивера с более чем 50 внешними системами.

Средства отладки

Компания Texas Instruments предлагает набор эффективных отладочных средств для семейства микроконтроллеров MSP430.

Программный симулятор (MSP-SIM430) можно получить бесплатно на сервере Internet Texas Instruments по адресу www.ti.com.

Evaluation Kit (MSP-EVK430X320, MSP-EVK430X330) содержит помимо литературы и математического обеспечения две многократно программируемые микросхемы с ультрафиолетовым стиранием (PSM430E325 либо PSM430E337) и программный адаптер (MSP-PRG430), позволяющий программировать любые версии микроконтроллеров этих серий.

Для работы с серией MSP430F11xx используется программатор MSP-FET430X110, в состав которого входят: отладочная плата с ZIF панелью для установки FLASH-микроконтроллера, ЖКИ, кабели для подключения к компьютеру, адаптер, две микросхемы MSP430F1121, комплект программных средств — ассемблер, линкер, симулятор, отладчик и Си-компилятор производства фирмы IAR, а также полный набор документации на CD-ROM.

При необходимости разработчики могут воспользоваться библиотекой подпрограмм для вычислений с плавающей точкой (MSP-FPP430V400), поддерживающей основные арифметические операции сложения, вычитания, умножения, деления и сравнения с 24- или 40-битовой мантиссой, а также функции возведения в степень и тригонометрические функции.

Третьи фирмы — партнеры Texas Instruments, предлагают Си-кросс-компилятор и отладчик реального времени (IAR, Швеция), компилятор языка Pascal (ЗИП-Научприбор, Россия), программатор (SCAN-Engineering, Россия), внутрисхемный эмулятор (Dr. Krohn &Stiller, Германия; Hitex, Германия).

Литература

  1. TEXAS INSTRUMENTS, MSP430 Family Architecture User's Guide, 1997.
  2. TEXAS INSTRUMENTS, MSP430 Metering Application Report, 1998.
  3. TEXAS INSTRUMENTS, MSP430F11XX, Data sheet, 1999.
  4. TEXAS INSTRUMENTS, TRF6900, Data sheet, 1999.

texas@scan.ru


Статьи по: ARM PIC AVR MSP430, DSP, RF компоненты, Преобразование и коммутация речевых сигналов, Аналоговая техника, ADC, DAC, PLD, FPGA, MOSFET, IGBT, Дискретные полупрoводниковые приборы. Sensor, Проектирование и технология, LCD, LCM, LED. Оптоэлектроника и ВОЛС, Дистрибуция электронных компонентов, Оборудование и измерительная техника, Пассивные элементы и коммутационные устройства, Системы идентификации и защиты информации, Корпуса, Печатные платы

Design by GAW.RU