|
Леонид Ридико
Цифровые потенциометры
В последнее время все реже приходится видеть на платах еще недавно привычные подстроечные элементы. Большая часть регулировок в процессе производства и при обслуживании аппаратуры возлагается на микропроцессоры. Такой подход имеет очевидные преимущества, а реализовать его помогают цифровые потенциометры (ЦП).
Уже считается дурным тоном устанавливать в аппаратуру какие-либо механические подстроечные элементы. Причин этому несколько: большие затраты на реализацию ручного процесса регулировки, низкая точность регулировки, невысокая надежность подстроечных элементов. В связи с тем, что современная аппаратура становится все более «умной», многие подстроечные элементы можно просто исключить, возложив функции калибровки на плечи микропроцессора. Действительно, какой смысл, например, ставить регулятор смещения нуля перед АЦП, если это смещение можно вычесть программно? Необходимо только позаботиться о достаточном динамическом диапазоне, чтобы даже в худшем случае из-за разброса параметров элементов в тракте не возникла перегрузка.
Однако в ряде случаев без подстроек не обойтись и приходится искать замену механическим переменным резисторам. Если регулировка осуществляется постоянным напряжением, то дело обстоит просто: ее сможет осуществить любой ЦАП. Специально предназначены для таких целей микросхемы ЦАП, имеющие невысокую точность и большое количество каналов в корпусе. Примером может служить 8-канальный ЦАП AD7808.
Но как быть, если требуется регулировка переменного сигнала? Частичным выходом из положения является использование умножающего ЦАП. Еще в давние времена многие отечественные разработчики применяли умножающий ЦАП К572ПА1 (он же AD7520) для построения аттенюаторов сигнала и даже умудрялись строить на нем перестраиваемые по частоте фильтры. Хотя этот ЦАП и можно было включать как потенциометр, однако из-за особенностей его схемотехники существовало ограничение: один из выводов должен быть обязательно заземлен, а на другой можно подавать лишь относительно небольшое напряжение, иначе ухудшалась линейность. Для получения полноценной замены переменного резистора можно взять КМОП-мультиплексор и подключить к нему цепочку постоянных резисторов. Такой цифровой потенциометр будет иметь три отдельных вывода, на которые можно подавать любые постоянные или переменные напряжения в допустимых для электронных ключей пределах. В настоящее время нет необходимости делать самодельные ЦП, так как выпускается большое количество готовых и практически на все случаи жизни.
Рис. 1. Структурная схема ЦП
Что такое цифровой потенциометр (ЦП)?
Четкой грани между ЦАП и ЦП нет. ЦП в англоязычной литературе иногда даже называют Trim-DAC, то есть ЦАП для подстройки. Пожалуй, главная отличительная особенность ЦП — это то, что он имеет три вывода переменного резистора (рис. 1), которые можно совершенно свободно подключать к любым потенциалам, постоянным или переменным, лишь бы они не выходили за пределы напряжения питания. Второе отличие заключается в шине управления. Обычные ЦАП довольно часто имеют параллельную шину, которая обеспечивает максимальное быстродействие. Для ЦП не требуется высокого быстродействия, поэтому применять громоздкую параллельную шину не имеет смысла. Подавляющее большинство ЦП имеет последовательную шину управления.
Чаще всего используются три типа шин управления: SPI, I2C и UDC. Некоторые производители не указывают явно, что ЦП имеет именно шину SPI или I2C, называя шины 3-wire и 2-wire соответственно. Часто приборы с шиной I2C называют адресуемыми. На самом деле совместимость с соответствующими шинами обычно обеспечивается, хотя могут быть и некоторые особенности, которые описаны в фирменной документации.
Таблица
Таблица (продолжение)
Таблица (продолжение)
Отдельно следует остановиться на интерфейсе UDC (Up/Down Control). Этот интерфейс является специфическим и предназначен для ручного управления ЦП с помощью кнопок. Интерфейс имеет три сигнала: CS — выбор устройства, Inc — инкремент и Up/Dn — сигнал направления. Для регулировки потенциометра необходимо выбрать его сигналом CS, подать сигнал направления Up/Dn и затем осуществить нужное количество шагов, подавая импульсы на вход Inc. Бывают и исключения. Например, ЦП DS1866 имеет параллельную шину, а DS2890 — однопроводную.
Зачем ЦП
энергонезависимая память?
Обычные переменные резисторы после регулировки сохраняют свое положение. С ЦП все сложнее: достаточно выключить питание, как он «забывает» свое положение. При следующем включении питания ЦП устанавливается в определенное начальное положение, которое зависит от типа ЦП. Если в системе есть микропроцессор, то нет проблем: после включения питания он сразу может загрузить нужные коды, восстановив положение ЦП, найденное при регулировке. А если ЦП установлен в изделии, не имеющем микропроцессора или его вмешательство нежелательно? Для таких целей выпускается ряд типов ЦП со встроенной энергонезависимой памятью. Достаточно один раз настроить такой ЦП (кнопками или с помощью микропроцессора), как он запоминает положение и восстанавливает его при включении питания. Такие потенциометры выпускает фирма Dallas Semiconductor под фирменным названием Dallastat, а фирмы Xicor, Catalyst и Vishay вообще не делают ЦП без встроенной энергонезависимой памяти. Причем у некоторых ЦП этих фирм может запоминаться не одно положение, а несколько (часто четыре), что позволяет реализовать различные предустановки, например, для разных режимов работы. Некоторые ЦП имеют встроенную энергонезависимую память большого объема, которую можно использовать для посторонних целей. Например, ЦП DS1845/46 имеют память объемом 256 байт.
Достоинства ЦП
По сравнению с обычными переменными резисторами, ЦП имеют ряд преимуществ:
отсутствие подвижных механических частей;
высокая надежность;
нечувствительны к вибрациям;
нет проблем с контактом при работе на малых токах;
не требуется регулировочных отверстий для отвертки;
быстрый процесс настройки;
высокая точность регулировки;
как и для обычных резисторов, начальное положение может быть загружено из
EEPROM при включении питания;
несколько устройств в одном корпусе с относительным отклонением менее 1 %;
корпуса микросхем более компактны, чем корпуса подстроечных резисторов; например, ЦП выпускаются в корпусах TSSOP и SOT-23, что позволяет использовать их в PCMCIA-картах и в других критичных к объему устройства приложениях;
стоимость цифровых потенциометров меньше стоимости качественных переменных резисторов.
И недостатки...
Существуют некоторые отличия цифровых потенциометров от обычных механических переменных резисторов, которые накладывают ограничения на их применение и в большинстве случаев являются недостатками.
Параметры ЦП
Важнейшим параметром ЦП является количество коммутируемых отводов переменного резистора (количество шагов). Этот параметр определяет дискретность регулировки. Обычно количество шагов является степенью числа 2, но бывают ЦП и с другим количеством шагов, например 100. Наиболее распространены ЦП с количеством шагов от 32 до 256.
Еще одним важным параметром ЦП, впрочем, как и обычного переменного резистора, является полное сопротивление. Наиболее распространены ЦП с полным сопротивлением 10, 50 и 100 кОм.
Среди других параметров ЦП необходимо отметить максимальное напряжение на выводах переменного резистора, сопротивление «щетки», максимальный допустимый ток, максимальную рассеиваемую мощность, шум, нелинейность и температурный коэффициент. Значения этих параметров у разных типов ЦП могут существенно отличаться, подробности можно найти в фирменной документации. Краткий список наиболее распространенных ЦП и их параметров приведен в таблице.
Диапазон допустимых напряжений на выводах
Пожалуй, самое главное отличие от переменных резисторов заключается в том, что ЦП нельзя включать в цепь, потенциал которой выходит за пределы допустимого напряжения на выводах переменного резистора. Чаще всего это напряжение не должно выходить за пределы напряжения питания ЦП. Для многих ЦП допустимый диапазон напряжений питания равен 0…5 В, поэтому и использоваться они могут лишь в цепях с такими потенциалами. Некоторые типы ЦП допускают напряжение на выводах переменного резистора большее, чем напряжение питания. Например, X9312 при питании +5 В допускает напряжение до +15 В. Некоторые ЦП могут иметь двухполярное питание ±5 В, и это расширяет сферу их применения на схемы с двухполярным питанием. В то же время в измерительной аппаратуре часто используется напряжение питания ±15 В, что затрудняет применение там большинства ЦП. Дело в том, что производство ЦП подчиняется общей тенденции перехода на низкое напряжение питания ±5 В или даже ±3 В. Хотя есть и исключения, например AD7376, который работает при напряжениях питания ±15 В.
В принципе двухполярное питание можно подать на любой ЦП, но тогда нужно будет подавать цифровые управляющие сигналы не относительно земли, а относительно отрицательного напряжения питания. Таких неудобств позволяют избежать ЦП, специально предназначенные для работы при двухполярном питании и имеющие вывод для подачи отрицательного напряжения питания.
Амплитудно-частотная характеристика
Из-за наличия паразитных емкостей АЧХ делителя, который образован ЦП, имеет спад на высоких частотах.
Рис.2 Эквивалентная схема ЦП.
Эквивалентная схема ЦП показана на рис. 2. Из нее видно, что ЦП представляет собой ФНЧ, частота среза которого зависит, в частности, от положения. Значения емкостей на рисунке указаны ориентировочно. Они зависят от типа ЦП и от положения. В то же время значения паразитных емкостей практически не зависят от номинального сопротивления ЦП. Поэтому там, где требуется широкая полоса пропускания, следует применять ЦП с возможно меньшим сопротивлением, имеющие более высокую частоту среза. Приблизительно частота среза для ЦП сопротивлением 100 кОм равна 100 кГц, 50 кОм — 200 кГц, 10 кОм — около 1 МГц (рис. 3). У обычных подстроечных резисторов паразитные емкости значительно меньше.
Рис.3. АЧХ ЦП AD8400
Сопротивление «щетки»
Еще одно отличие ЦП от обычных переменных резисторов заключается в несколько большем сопротивлении в крайнем положении (сопротивление «щетки» переменного резистора). Для обычного переменного резистора это сопротивление может составлять десятые доли ома. Для 10-килоомного ЦП сопротивление «щетки» составляет порядка 50–100 Ом. Это сопротивление образовано сопротивлением канала открытого полевого транзистора и ведет себя так же, как и RON у микросхем электронных ключей. Сопротивление канала заметно возрастает при понижении напряжения питания. Кроме того, оно зависит от напряжения на «дорожке» потенциометра относительно общего провода («минуса» источника питания ЦП). Этот эффект особенно заметен при пониженном напряжении питания (рис. 4).
Рис.4. Зависимость сопротивления "щетки" от напряжения
Эффект модуляции сопротивления канала является основной причиной возникновения нелинейных искажений при прохождении сигнала через электронный ключ. Аналогичный эффект наблюдается и в ЦП. Для его минимизации нужно работать при возможно большем напряжении питания и обеспечивать такое включение ЦП, когда синфазная составляющая сигнала на нем минимальна. Типичным для ЦП является коэффициент гармоник около 0,01 %. Некоторые типы ЦП имеют встроенную ESD-защиту, которая состоит из резистора и стабилитрона. Сопротивление этого резистора также входит в сопротивление «щетки».
Зависимость сопротивления
от температуры
Температурный коэффициент сопротивления резисторов, на основе которых построены ЦП, достаточно велик. Это обычно поликристаллические кремниевые резисторы, имеющие положительный ТКС. Абсолютное значение ТКС имеет величину примерно 300–800 ppm/°C. Поэтому, если применять потенциометр в режиме реостата (двухполюсник), таким же будет и результирующий ТКС. Это нужно учитывать при использовании ЦП. Ситуация существенно улучшится, когда ЦП используется в режиме потенциометра (делитель напряжения, трехполюсник). Коэффициент деления имеет значительно меньший температурный коэффициент (обычно не более 20 ppm/°C). Однако вблизи крайнего положения он значительно больше (рис. 5), так как большое влияние оказывает сопротивление канала полевого ключа, имеющее значительный ТКС (тысячи ppm).
Рис.5. Температурная зависимость для ЦП в режиме потенциометра
Нужно отметить, что существуют ЦП с пониженным ТКС, например MAX5413/14/15, имеющие около 35 ppm/°C, что сравнимо с ТКС качественных проволочных переменных резисторов.
Разброс сопротивлений
Существует ряд применений, где требуется согласованная регулировка двух и более переменных резисторов. Примером может служить активный фильтр второго порядка с перестраиваемой частотой среза. Для этой цели годятся лишь сдвоенные ЦП, выполненные на одном кристалле и имеющие разброс сопротивлений не более 1 %. А вот у разных экземпляров ЦП даже одного типа разброс сопротивлений может доходить до 30 %.
Проникновение
сигналов управления
ЦП также присущ эффект проникновения сигнала с цифровых управляющих входов в цепь переменного резистора. Этот эффект объясняется наличием паразитных емкостей, и в первую очередь емкости между каналом и затвором полевых ключей. Поэтому в процессе регулировки возможно возникновение помех. Там, где регулировка выполняется однократно, эти помехи практически не имеют значения. А в таких применениях, как, например, регулировка громкости, помехи весьма нежелательны. Поэтому для регулировки громкости следует использовать специальные ЦП, у которых помехи существенно уменьшены (glitchless-регуляторы).
Нелинейность
Как и обыкновенным ЦАП, ЦП присуща интегральная и дифференциальная нелинейность. Во многих применениях ЦП нелинейность не имеет определяющего значения, хотя существуют критичные применения, где ее нужно учитывать. Численные значения нелинейности для конкретных типов ЦП можно найти в документации производителя.
Области применения ЦП
Области применения ЦП в настоящее время весьма разнообразны и их становится все больше в связи с появлением более совершенных ЦП. Вот некоторые из этих областей:
цифровая регулировка усиления;
реализация регулируемых источников опорного напряжения;
регулировка громкости в аудиосистемах;
регулировка смещения нуля в усилителях;
регулировка выходного напряжения стабилизаторов;
настройка измерительных мостов;
регулировка усиления, частоты настройки и добротности фильтров;
регулировка полной шкалы и смещения в усилителях датчиков;
регулировка частоты и скважности генераторов;
регулировка смещения pin-диодов в ВЧ-аттенюаторах;
регулировка контрастности ЖК-индикаторов.
В настоящее время широко рекламируется возможность применения ЦП в качестве регуляторов громкости и тембра в аудиоаппаратуре. Однако обычные ЦП имеют для этого слишком маленький динамический диапазон и большие искажения. Для цифровых потенциометров остается лишь узкая ниша low-end применений, таких как регулировка громкости в сотовых телефонах, переносной аппаратуре и устройствах multimedia. Для построения высококачественных регуляторов громкости выпускается ряд специализированных микросхем, таких как AD7111, AD7112 от Analog Devices, CS3310 от Crystal и др. Эти микросхемы включены в табл. 1, поскольку они имеют схожие с ЦП функции, хотя и представляют собой классические умножающие ЦАП. Для получения широкого динамического диапазона сдвоенный ЦАП AD7112 имеет разрядность 17 бит, а управляется он 8-разрядным кодом с помощью шифратора, обеспечивающего логарифмическую характе- ристику с шагом 0,375 дБ.
Примеры применения ЦП
На рис. 6, а показана схема инвертирующего усилителя, коэффициент усиления которого регулируется с помощью ЦП в пределах от –0,5 до –2. Особенностью схемы является то, что она допускает диапазон входного напряжения ±10 В без нарушения условия, что на выводах ЦП напряжение не должно превышать ±5 В.
 |
 |
| Рис. 6.а |
Рис. 6.б |
На рис. 6, б приведен пример регулировки смещения ОУ с помощью ЦП. Благодаря резисторам, включенным последовательно с ЦП, цепь регулировки смещения удалось запитать от источника ±15 В без нарушения ограничения ±5 В для ЦП.
На рис. 6, в изображен гиратор, значение эквивалентной индуктивности которого регулируется с помощью ЦП.
На рис. 6, г показан стабилизатор на основе IC LM317, выходное напряжение которого регулируется с помощью ЦП. В этой схеме максимальное выходное напряжение ограничено возможностями ЦП.
 |
 |
| Рис. 6.в |
Рис. 6.г |
При построении широкополосных усилителей АЧХ даже самого низкоомного ЦП может оказаться неудовлетворительной. В таких случаях можно уменьшить эффективное полное сопротивление ЦП, включив параллельно ему постоянный резистор. На рис. 6, д показана схема усилителя, частота среза которого регулируется с помощью ЦП в пределах 0,13…1 МГц, а коэффициент усиления —
в пределах 1…2.
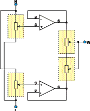
В некоторых приложениях, например при регулировке тока лазерных диодов, разрешение обычных ЦП может оказаться недостаточным. В то же время применение ЦАП высокой разрядности является дорогостоящим решением. Используя простую верньерную схему, можно на основе счетверенного 64-шагового ЦП получить результирующее число шагов 8001 (рис. 6, е).
 |
 |
| Рис. 6.д |
Рис. 6.е |
Если соединить последовательно два 64-шаговых ЦП, то получим число шагов, равное 256. Если еще два ЦП использовать для задания напряжений на выводах этого каскадного ЦП, то получим 63 разных интервала напряжения, в которых будет работать каскадный ЦП (63 получается в результате того, что всегда положения двух дополнительных ЦП должны отстоять друг от друга на единицу). Используя 127 положений каскадного ЦП и 63 положения дополнительных ЦП, получаем общее количество шагов 8001. Теоретически можно увеличить это количество еще в два раза, если использовать все положения каскадного ЦП, однако разрешающую способность будет ограничивать нелинейность ЦП. С ЦП типа X9241 фирмы Xicor общая дифференциальная нелинейность не превышает 0,008 %. Ситуацию можно еще улучшить, если каскадный ЦП подключить через повторители на ОУ (рис. 6, ж).
 |
| Рис. 6.ж |
wubblick@yahoo.com
|