|
Инструментальные усилители
Так уж сложилось, что основными поставщиками на российский рынок электронных компонентов в части операционных и инструментальных усилителей являются две фирмы: Texas Instruments (TI) и Analog devices, Inc. (ADI). Правда, в последнее время очень активно ведет себя Linear Technology (LT) и ее продукция становится все доступнее. Именно продукция этих производителей и будет рассмотренна ниже.
Инструментальный (измерительный) усилитель (ИУ), —классическая схема которого приведена на рис.1, а схема на двух операционных усилителях (ОУ) на рис.2, — находит применение во многих измерительных приборах и системах, особенно там, где треб ется выделить полезный сигнал на уровне больших синфазных помех. Если в прошлом ИУ действительно собирался из двух-трех ОУ с соответствующей обвязкой, то сейчас это практически архаизм, поскольку на рынке возможно найти однокорпусной ИУ с практически любыми треб емыми характеристиками.


ADI
Несмотря на большую номенклатуру операционных усилителей, ADI, как мне кажется, уделяет недостаточно внимания измерительным усилителям и упускает значительный сегмент рынка. Впрочем, нельзя объять необъятное. Производственная программа рекомендованных к применению в новых разработках измерительных усилителей приведена в таблице 1.
Таблица 1

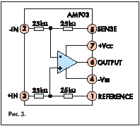
Почти все ИУ, за исключением AMP03, построены по схеме с тремя ОУ. AMP03 — дифференциальный усилитель с единичным коэффициентом усиления и очень высокими характеристиками (рис.3).

Кроме того, хотелось бы отметить усилитель AD629, схема которого приведена на рис.4. Этот дифференциальный усилитель позволяет точно измерять дифференциальные сигналы в присутствии высоких синфазных напряжений вплоть до ±250 В.

LT
Linear Technology позже, чем TI и ADI, вышла на российский рынок. И, пожалуй, только сейчас ее продукция стала широко доступна для использования. А жаль, так как микросхемы, выпускаемые LT, достаточно интересны (табл.2). Хотелось бы отметить единственные в своем роде ИУ LTC2053 с периодической коррекцией дрейфа, причем с уникальной архитектурой перехода с дифференциального на ассиметричный сигнал на основе «летающего » конденсатора ((рис.5). Частота коммутации «летающего » конденсатора — 3 кГц.

Таблица 2

Нам осталось рассмотреть продукцию фирмы TI, однако ее портфель настолько велик и разнообразен, что его следует рассматривать отдельно, что и будет сделано в следующем номере.
Алексей Чистяков
|